-
文件下载 产品目录 暂无 产品规格书 暂无 订货信息 最小起订量 1只 原产地 中国 包装信息 一级包装单元 1只/盒 一级包装宽度 81 mm 一级包装长度 214 mm 一级包装高度 96 mm 一级包装总重 - 二级包装单元 8只/箱 二级包装宽度 226 mm 二级包装长度 344 mm 二级包装高度 211 mm 二级包装总重 - 产品信息 产品规格 DNESS3 产品型号 DNESS3-S8Q 额定电压 DC 1500 V 额定电流 100 A ~ 1000 A 保护类别 aBat 分断能力 250 kA 执行标准 GB/T13539.7 IEC 60269-7 额定耗散功率 ≤350W
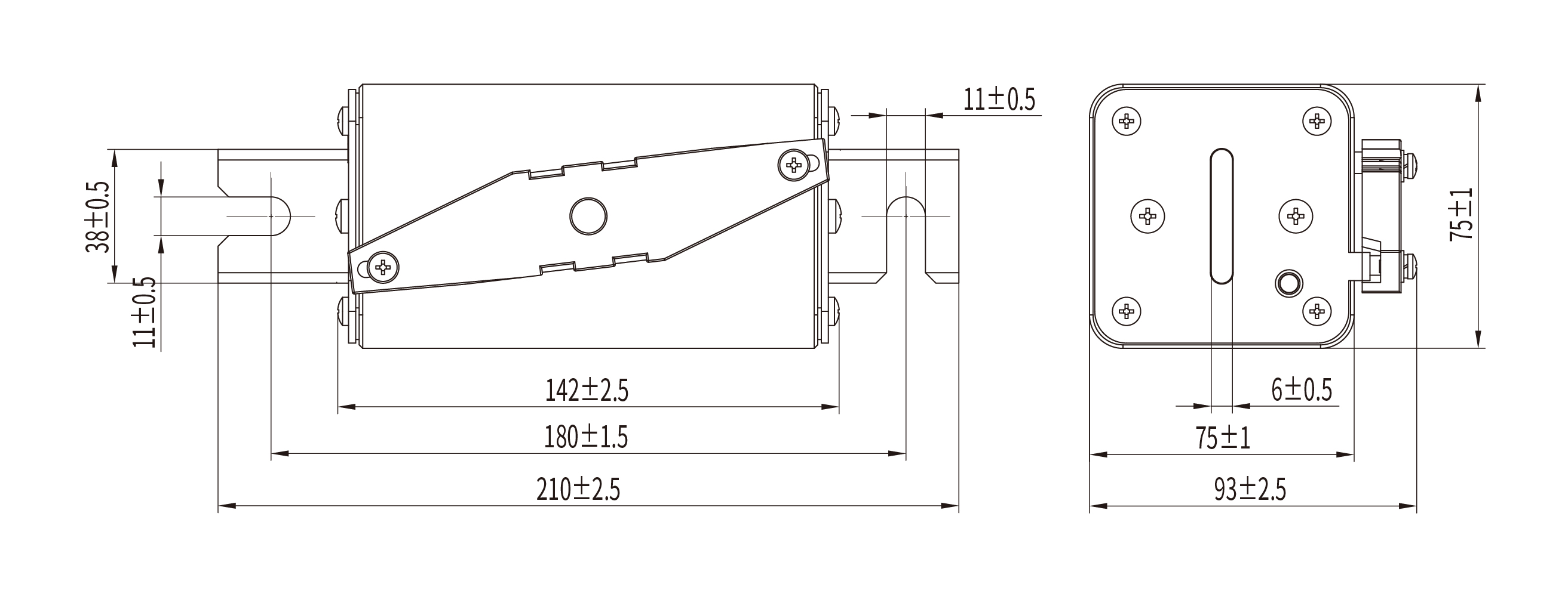
认证声明 TÜV CE证书 AN 50674878 0001 TÜV 证书编号 R 50648239 0001 TÜV 报告编号 CN24IDWY 001 尺寸图 
-
-
额定电压DC 1500 V
-
额定电流100A、125A、160A、200A、250A、315A、350A、400A、450A、500A、550A、630A、700A、800A、900A、1000A
-
保护类别aBat
-
分断能力250 kA
-
时间常数(1-3)ms
-
参考标准GB/T 13539.7 IEC 60269-7
-
认证标志CE TÜV
-